?
可應用于第7代至第9代的大型玻璃基板搬運的機器人。
潔凈度為FED10級標準。采用獨有的連桿結構,降低了彎曲和振動,并保證了剛度。
●應用于第7代~第9代基板的系列產品
適用于包括第7代的SJ80C,以及第8,9代的SJ120C
●級別上限的旋轉速度和前后軸速度
在所有尺寸中均縮短了周期
●上下軸采用獨有的連桿結構
能夠抑制彎曲和振動的高剛度結構
無帶式結構,確保高可靠性和安全性
●活動部分的布線全部內置于手臂內
防止發生微米級塵埃,并使外觀保持整潔
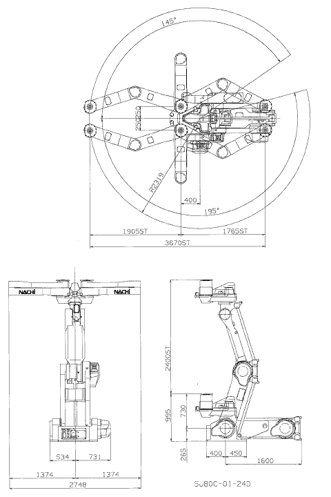
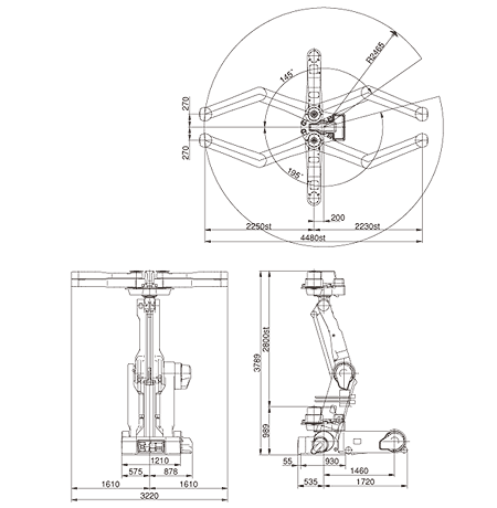
工作范圍



用途
玻璃基板搬運
(*1) 本產品的額定功率,規格,外部尺寸等如需改良而變更,恕不另行通告。
(*2) 如果本產品的最后使用者與軍事相關,或用于兵器等的制造,可能成為“外匯及國際貿易法”規定的出口限制的對象。出口時,請進行充分的審查和辦理所需的出口手續。
技術參數:
| 系列 | SJ80C | |||
|---|---|---|---|---|
| 機器人型號 | SJ80C-18D-01 | SJ80C-24D-01 | ||
| 清潔度 | 10級(0.3μm)*1 | |||
| 自由度 | 4 | |||
| 驅動方式 | AC伺服方式 | |||
| 上 限 工 作 范 圍 | X1 | 前后1 | 3,670mm | |
| X2 | 前后2 | 3,670mm | ||
| θ | 轉動 | +2.53~3.40rad (+145°~-195°) | ||
| Z | 上 下 | 1,800mm | 2,400mm | |
| 上 限 速 度 | X1 | 前后1 | 3,000mm/sec | |
| X2 | 前后2 | 3,000mm/sec | ||
| θ | 轉動 | 3.14rad/sec (180°/sec) | ||
| Z | 上 下 | 1,100mm/sec | 1,450mm/sec | |
| 搬運重量 | 每個臂80kg(合計135kg) | |||
| 位置反復精度 | ±.3mm | |||
| 周圍溫度 | 0~35°C | |||
| 設置條件 | 落地式 | |||
| 主機重量 | 1,175kg | 1,200kg | ||
*1 指機器人頂端法蘭表面
1rad=57.3° 1N=0.102kgf
| 系列 | SJ120C | |||
|---|---|---|---|---|
| 機器人型號 | SJ120C-28D-01 | SJ120C-28S-01 | ||
| 清潔度 | 10級(0.3μm)*2 | |||
| 自由度 | 4 | 3 | ||
| 驅動方式 | AC伺服方式 | |||
| 上 限 工 作 范 圍 | X1 | 前后1 | 4,480mm (+2,250~-2,230mm) | |
| X2 | 前后2 | 4,480mm (+2,250~-2,230mm) | - | |
| θ | 轉動 | +3.40~-2.53rad (+195°~-145°) | ||
| Z | 上 下 | 2,800mm | ||
| 上 限 速 度 | X1 | 前后1 | 3,600mm/sec | |
| X2 | 前后2 | 3,600mm/sec | - | |
| θ | 轉動 | 3.14rad/sec (180°/sec) | ||
| Z | 上 下 | 1,050mm/sec | ||
| 可 搬 重 量 | X1 | 前后1 | 上限90kg | 上限120kg |
| X2 | 前后2 | 上限120kg | - | |
| 允 許 力 矩 | X1 | 前后1 | 720N?m | 780N?m |
| X2 | 前后2 | 780N?m | - | |
| 允 許 慣 性 力 矩 | X1 | 前后1 | 135kg?m2 | 165kg?m2 |
| X2 | 前后2 | 165kg?m2 | - | |
| 位置反復精度 | ±.3mm | ±.3mm | ||
| 周圍溫度 | 0~35°C | |||
| 設置條件 | 落地式 | |||
| 主機重量 | 1,880kg | 1,680kg | ||
*2 指機器人頂端法蘭表面
1rad=57.3° 1N=0.102kgf
注:圖文數據均以廠家提供為準。